TECHNICAL DATE 2 Poles





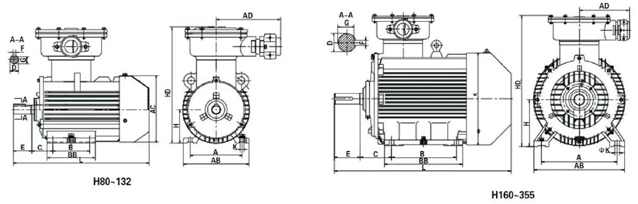
B3 mounting, base with feet, end caps without flange


B35 mounting, motor with base number with foot and flange on end cap (with through hole)


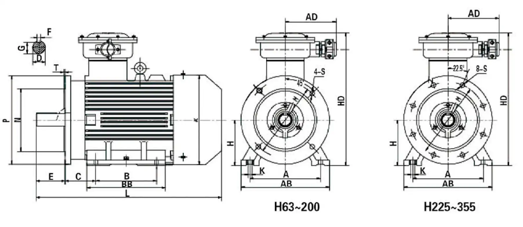
B5 motor without feet on the base and with flanges on the end caps


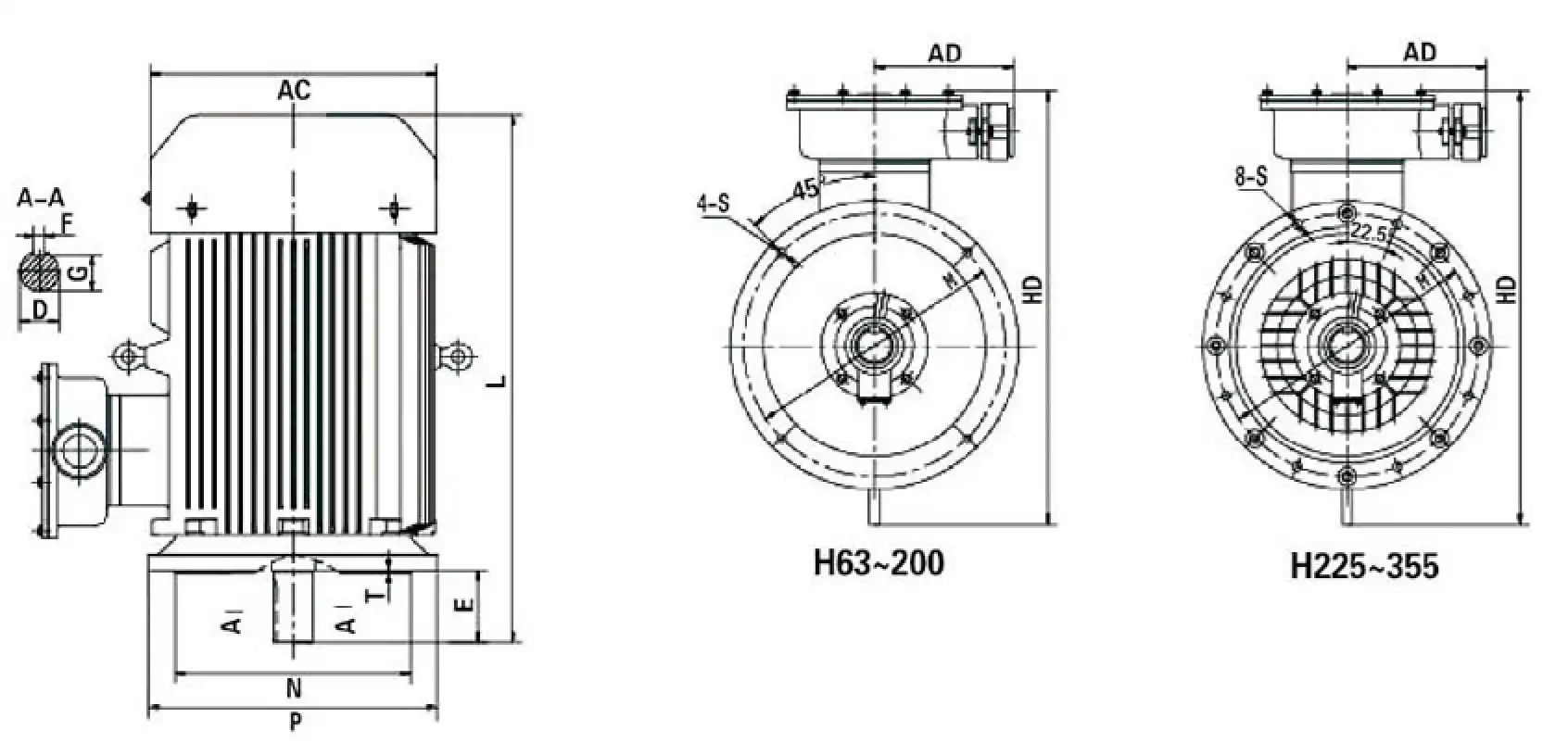
V1 mounting, motor without feet on base, flange on end cap

