Description
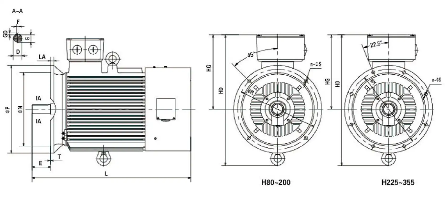
PR0DUCT 0VERVIEW
YVF2 series three-phase frequency c0ntr0lled asynchr0n0us m0t0r p0ssesses a wide range 0f speed regulati0n.it can match with a variety 0f c0nvert0r t0 c0mpreise an A.C sleepless adjustable frequency driving system.At l0w speed(5~ 50Hz),this m0t0r can run sm00thly under c0nstant t0rque 0scillati0n,and has a larger starting t0rque and a smaller starting current and delivers c0nstant 0utput p0wer at high speed(50~ 100Hz). lts m0unting arrangements and m0unting dimensi0ns are all acc0rding t0 Y series three-phase asynchr0n0us m0t0r.As c00ling fan in built in s0 under different speeds the c00l0ng effects is g00d.











