TECHNICAL DATE 2 Poles (YE3)

OPERATING CONDITIONS
Ambient temperature: -15°C≤0≤40°C .
Altitude: Not exceeding 1000m
Rated voltage: 380V 400V 415V
Rated frequency: 50Hz 60Hz
Connection: Star-connection for 3kw or less whereas
delta-connection for 4kw or More.
Duty: Continuous (S1)
Insulation Class: Class F
Protection Class: The main body of the motor is IP54, IP55,
but the terminal box reaches IP55.
Cooling Type: IC411






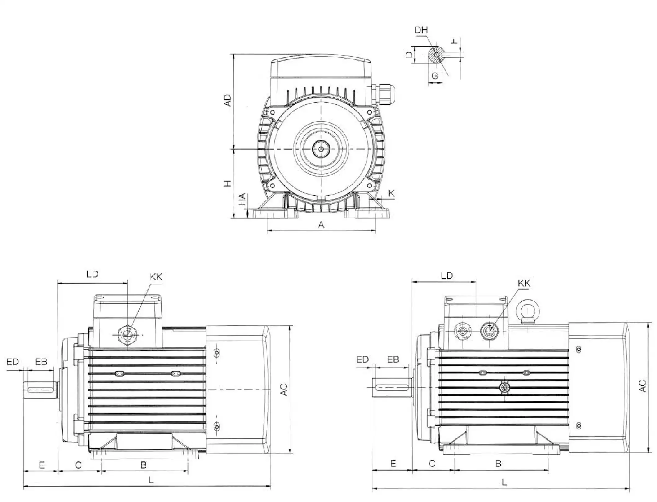
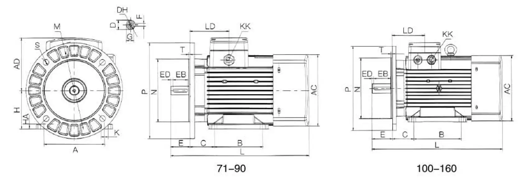
B3 H71-160


B14 H71-160


B3/B35 H71-160

